上海站
日拍网欢迎您再次光临
登录/注册
我的购物车
(0)
试算费用
新手教程
APP下载
手机版
JDirectitems Auction
Keibay入札
日本煤炉
Yahoo!JAPAN闲置
今日汇率:0.04541
煤炉所有分类
煤炉所有分类
时尚
婴幼儿
动漫.游戏
爱好.艺术
门票
书籍/杂志/漫画
音乐
手机/电脑
音频.摄像机
家用电器和空调
运动
户外.钓鱼
化妆品/美容
饮食/健康
食品/饮料/酒类
厨卫.文具
家具/室内装饰
宠物
DIY/工具
手工.配饰
中文搜索
日文搜索
日本代拍
知名卖家:
梦工房
伝来
源氏庵
泽田美术
GINZA絵画館
工艺美术
动漫游戏
时尚品牌
<<
>>
煤炉
自行车
零件
其他
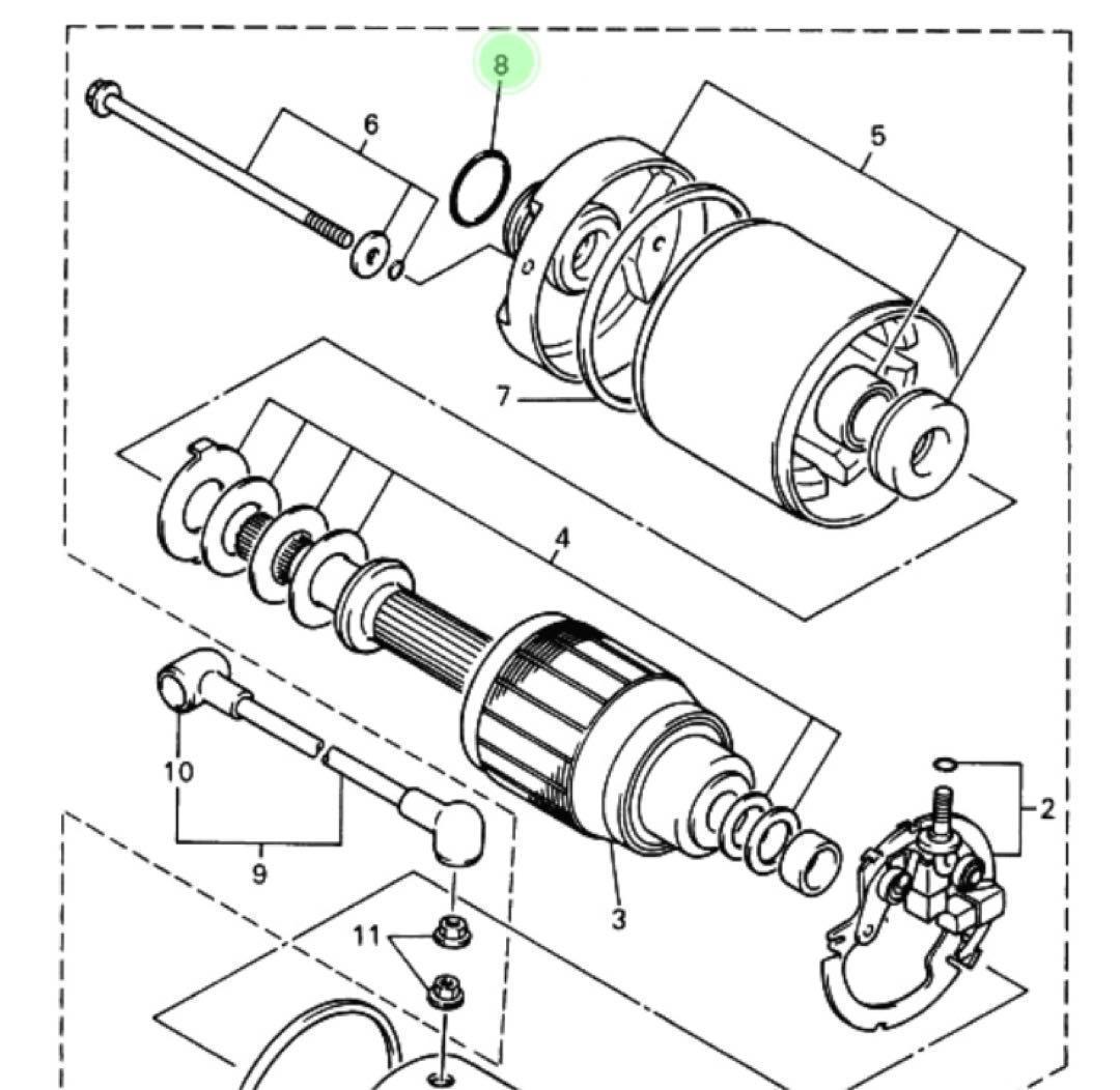
XJR400 4HM セルモーター Oリング パッキン エンジン XJR 615
商品单价:
1,400円
合人民币:
63.57
元
税:
商品成色:
新品、未使用
日本运费:
送料込み(出品者負担)
品牌ID:
3565
品牌:
YAMAHA
配送时间:
1~2日で発送
配送方法:
らくらくメルカリ便
配送区域:
未定
购买数量:
1件
购买备注:
打开原始链接
加入购物车
立即购买
收藏商品
店铺名称:
M&m
看看卖家其他拍品
卖家信息:
好评
15527
差评
5
已实名认证
正在请求中……
商品说明(英文)
参考翻译(中文)
注意:下单成功一律不能取消!
XJR400 4HM
ヤマハ YAMAHA 純正 新品
セルモーター Oリング
即購入可能です。
お探しの方よろしくお願い致します。
XJR セルモーター ガスケット パッキン セル
猜你喜欢
YZF-R1 エアフ...
YAMAHA ギア ...
ヤマハ ビラーゴ25...
YAMAHA YZF...
YAMAHA アクシ...
YAMAHA グラン...
3yk chi
RZ250サイドスタ...
【当店限定】VR46...
RZ250 RZ35...
RZ250 RZ35...
ヤマハ純正部品 81...
AXISトリート シ...
SDR200 フュー...
メイト50 クラッチ...
Copyright © 2008 日拍网 All rights reserved.
闽公网安备
ICP备案号:
闽ICP备18024866号
Webサービス by JDirectitems! JAPAN