上海站
日拍网欢迎您再次光临
登录/注册
我的购物车
(0)
试算费用
新手教程
APP下载
手机版
JDirectitems Auction
Keibay入札
日本煤炉
Yahoo!JAPAN闲置
今日汇率:0.045433
煤炉所有分类
煤炉所有分类
时尚
婴幼儿
动漫.游戏
爱好.艺术
门票
书籍/杂志/漫画
音乐
手机/电脑
音频.摄像机
家用电器和空调
运动
户外.钓鱼
化妆品/美容
饮食/健康
食品/饮料/酒类
厨卫.文具
家具/室内装饰
宠物
DIY/工具
手工.配饰
中文搜索
日文搜索
日本代拍
知名卖家:
梦工房
伝来
源氏庵
泽田美术
GINZA絵画館
工艺美术
动漫游戏
时尚品牌
<<
>>
煤炉
DIY/工具
电动工具/气动工具
气动工具
管件、插座、旋塞
ベンカン機工 溶接式管継手(黒)径違いチーズ 3/4×1/2 24個セット
商品单价:
12,000円
合人民币:
545.20
元
税:
商品成色:
新品、未使用
日本运费:
送料込み(出品者負担)
配送时间:
2~3日で発送
配送方法:
らくらくメルカリ便
配送区域:
大阪府
购买数量:
1件
购买备注:
打开原始链接
加入购物车
立即购买
收藏商品
店铺名称:
まーピー
看看卖家其他拍品
卖家信息:
好评
65
差评
0
已实名认证
正在请求中……
商品说明(英文)
参考翻译(中文)
注意:下单成功一律不能取消!
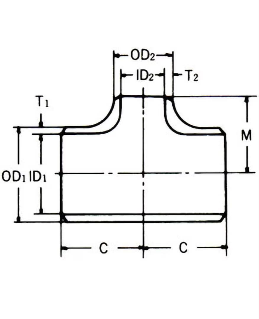
ベンカン機工 溶接式管継手(黒)径違いチーズ 3/4×1/2 24個セット
呼び径(A) 20×15
呼び径(B) 3/4×1/2
種別 GS
材質 SGP
形状 チーズ
種類 溶接式管継手
寸法C(mm) 28.6
厚さT(mm) 2.8
寸法M(mm) 28.6
外径OD(Φmm) 27.2
内径ID(Φmm) 21.6
数年前に購入したものです。
やや錆が発生してます。
神経質な方はご遠慮下さい。
よろしくお願いします。
猜你喜欢
ワンタッチ継手TBC...
50A 45度 エル...
砲金継手・ソケット ...
ナイスジョイント継手...
ポリエチレン管部品5...
ポリエチレン管部品 ...
<BRIDGESTO...
WPJ3A-16-S...
オンダ T型継手 W...
ステンレス鋼製 Sw...
プッシュマスター継手...
トーエー TS継手 ...
Swagelok 1...
FCJ2-1316....
Copyright © 2008 日拍网 All rights reserved.
闽公网安备
ICP备案号:
闽ICP备18024866号
Webサービス by JDirectitems! JAPAN